某电气工厂现场5s改善案例分享-凯发app

快速咨询
您的姓名
您的姓名:(保密)
您的电话
您的电话:(保密)
留言内容
您的需求:(保密)
留言时间
后台栏目
摘要
获取免费方案
某电气工厂现场5s改善案例分享
来源/作者:博革 发布时间:2025-01-15 16:02:44 浏览次数:

 博革咨询是中国首家整合精益生产/六西格玛/流程再造的咨询公司,专注于提供精益生产、6s现场管理、tpm设备管理、精益工厂布局、专业目视化、精益供应链、精益研发、六西格玛管理、智能制造等综合性问题凯发app的解决方案并负责落地实施。

一、凯发app的介绍

 

 公司一直专注于研发、生产、销售12~40.5kv智能开关元件、0.4~40.5kv智能开关成套设备、智能箱式变电站、轨道交通用27.5~40.5kv充气柜和27.5kv高速铁路自动过分相系统,±500~800kv直流场关键设备及系统集成等相关电气产品,形成了“智能开关柜、智能充气开关柜、智能箱式变电站、智能户内真空断路器、特高压直流场设备”等五个产品的完整研发和产品支撑体系,是行业内少数拥有完整智能中压开关研发体系的企业。

二、 项目背景

1、现状调查主要问题:

·作台面上凌乱;
·翻箱倒柜找半天;
·不常用物品闲置,弃之可惜;

·产品良莠混杂,难以区分、辨认与查找;
·员工缺乏严谨工作习惯,生产品质不稳定

 

三、项目推进

1.制定推进计划

2.组建团队

3.制定5s相关管理机制

4.计划实施 

1)专业培训开展

2)定点摄影

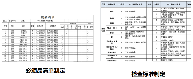
3)制定物品清单

4)区分要与不要

5)制定放置标准

6)现场改善活动开展

7)巡查开展红牌作战

四、标准制定

五、部分改善案例分享

网站地图